Relés de Interface: Origem, Invenção e Principais Fabricantes do Mercado Mundial
Descubra a origem dos relés de interface, quem os inventou, quais marcas dominam o mercado e quais são as tecnologias mais avançadas — dos relés WAGO aos modelos da Siemens, ABB, Phoenix Contact e mais.
RELES DE INTERFACE
Equipe Técnica MGL Nordeste
10/15/20253 min read


Relés de Interface: Origem, Invenção e Principais Fabricantes do Mercado Mundial
A origem do relé: da eletromecânica à automação
O relé elétrico é atribuído a Joseph Henry (1797–1878), que em 1835 demonstrou um dispositivo capaz de abrir e fechar um circuito por meio de outro circuito independente. Em 1837, Samuel Morse aplicou o conceito ao telégrafo, usando relés para amplificar e retransmitir sinais a longas distâncias.
Com a eletrificação industrial do século XX, surgiram os relés industriais voltados a motores, válvulas e cargas de potência. Nos anos 1970, com a popularização dos CLPs, consolidou-se a necessidade de isolar eletricamente os circuitos eletrônicos do ambiente de potência — nasce o relé de interface (ou coupling relay).
Por que o relé de interface é indispensável
Isolamento entre CLP/sensores e a carga, aumentando a segurança do sistema.
Adaptação de sinais entre diferentes tensões e lógicas (ex.: 24 VDC → 230 VAC).
Proteção do controlador contra surtos e ruídos elétricos.
Manutenção ágil com módulos plugáveis e terminais identificáveis.
Evolução tecnológica: mecânico, SSR e híbrido
Relés mecânicos: alta capacidade de corrente e robustez.
SSR (estado sólido): maior vida útil e velocidade, sem partes móveis.
Híbridos: combinam contato mecânico e acionamento eletrônico, reduzindo desgaste.
Modelos slim (≤ 6 mm) para painéis compactos e automação descentralizada.
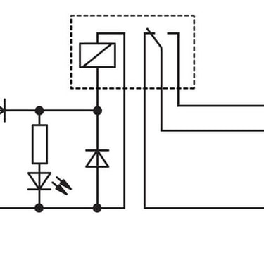
Símbolo elétrico do relé de interface
O símbolo segue o padrão do relé eletromecânico, destacando o isolamento galvânico entre comando e potência:
Bobina (controle): retângulo com terminais A1 e A2 (geralmente 24 VDC).
Contatos (potência): NA, NF ou comutador 1NAF/1CO, desenhados separados da bobina.
Identificação: letra K no esquema (ex.: K1I, K2I).
Normas: IEC 60617 (símbolos) e IEC 81346 (designação de dispositivos e funções).
Principais fabricantes e famílias (formato descritivo)
WAGO — Séries 857 e 788. Largura entre 6 e 15 mm, corrente nominal de 6 A, versões mecânicas e SSR. Destaque para a conexão CAGE CLAMP®, alta confiabilidade e design modular. Link oficial.
Siemens — SIRIUS 3RQ3. Largura 6,2 mm, 6 A, relé mecânico. Design robusto e integração com SIMATIC.
Phoenix Contact — PLC-INTERFACE. Largura 6,2 mm, 6 A, mecânico e SSR; diagnóstico LED, push-in e codificação. Link oficial.
Weidmüller — TERMSERIES (TRS/TRZ). Largura 6,4 mm, 6 A, mecânico e SSR; foco em modularidade e retenção rápida. Catálogo.
Finder — Séries 38 e 39 MasterINTERFACE. Largura 6,2 mm, 6 A, mecânico; opções com LED e diodo integrados. Site oficial.
Schneider Electric — Harmony RSL. 6 mm, 6 A, mecânico; ultracompacto e ideal para Modicon/Zelio. Página da linha.
ABB — CR‑S. Largura 6–12 mm, 6 A, mecânico; sistema plugável com alta confiabilidade térmica.
WEG — BTWR Interface Relays. 6 mm, 6 A, mecânico; excelente custo-benefício e disponibilidade local. Site oficial.
Como selecionar o relé de interface
Tensão da bobina (ex.: 24 VDC) e consumo de entrada.
Tipo de contato (NA, NF, 1CO/1NAF, 2CO/DPDT).
Corrente e tipo de carga (resistiva, indutiva) e picos de partida.
Ambiente (temperatura, vibração) e requisitos de certificação.
Manutenção (módulo plugável, LED de status, bornes identificáveis).
Conclusão
Desde Joseph Henry até a Indústria 4.0, o relé de interface evoluiu de um simples interruptor eletromecânico para um elo crítico de segurança e confiabilidade entre controle e potência. Fabricantes como WAGO, Phoenix Contact, Weidmüller, ABB, Siemens, Schneider, Finder e WEG impulsionam inovações que tornam os relés mais duráveis, inteligentes e fáceis de integrar aos painéis modernos.
Créditos de autoria: Preparado por Cesar Turqui com apoio técnico editorial.
Get in touch
MGL Nordeste Automação, Acionamentos, Elétrica e Climatização.
Fones:
mgl@mglnordeste.com
(81) 3106-2600
© 2025. All rights reserved.
Av. Fernado Simões Barbosa, 266 - Boa Viagem - Recife- PE.
Redes Sociais:
